|
Products: |
Quartz Crystal Devices / Quartz Crystal Filter / MCF / Multi Poles
|
|||||||||||||||||||||||||||||||||||||||||||||||||||||||||||||||||||||||||||||||||||||||||||||||||||||||||||||||||||||||||||||||||||||||||||||||||||||||||||||||||||||||||||||||||||||||||||||||||||||||||||||||||||||||||||||||||||||||||||||||||||||||||||||||||||||||||||||||||||||||||||
![]() |
High performance Multi-Poles Crystal Filter |
| Model | Nominal Frequency MHz |
Pole | Pass Hand Width KHz/dB |
Slop Band Width KHz/dB |
Ripple dB |
Insertion Loss dB |
Guranted Attenuation KHz/dB |
Terminal Impedance Rl/Ct [Ω/pF] |
Type | |
| FT21M07C | 21.4 | 6 | ±3.75/3 | ±8.75/45 | ±12.5/65 | 2.0 | 3.0 | (+12.5~+300)/65 | 850/5 | S-1 |
| FT21M07D | 21.4 | 8 | ±3.75/3 | ±9.0/65 | ±12.5/90 | 2.0 | 4.0 | (+12.5~+300)/90 | 850/5 | S-1 |
| FT21M07E | 21.4 | 10 | ±3.75/3 | ±8.75/75 | ±10.5/90 | 2.0 | 4.5 | (+12.5~+300)/90 | 850/5 | S-2 |
| FT21M12C | 21.4 | 6 | ±6.00/3 | ±14/45 | ±20/65 | 2.0 | 3.0 | (+20~+300)/65 | 1.2K/2.5 | S-1 |
| FT21M12D | 21.4 | 8 | ±6.00/3 | ±14/65 | ±20/90 | 2.0 | 4.0 | (+20~+300)/90 | 1.2K/2.5 | S-1 |
| FT21M15C | 21.4 | 6 | ±7.5/3 | ±17.5/45 | ±25/65 | 2.0 | 2.5 | (+25~+300)/65 | 1.5K/2.0 | S-1 |
| FT21M15D | 21.4 | 8 | ±7.5/3 | ±17.5/65 | ±25/90 | 2.0 | 3.0 | (+25~+300)/90 | 1.5K/2.0 | S-1 |
| FT21M15E | 21.4 | 10 | ±7.5/3 | ±17.5/75 | ±20/90 | 2.0 | 4.0 | (+18~+300)/90 | 1.5K/2.0 | S-2 |
| FT21M30C | 21.4 | 6 | ±15.0/3 | ±3.5/45 | ±50/65 | 2.0 | 2.5 | (+50~+300)/65 | 2.2K/0.5 | S-1 |
| FT21M20D | 21.4 | 8 | ±10.0/3 | ±25/80 | ±30/90 | 2.0 | 4.0 | (+30~+300)/90 | 1.8K/0.5 | S-1 |
| FT10M07C | 10.7 | 6 | ±3.75/3 | ±8.75/45 | ±12.5/65 | 2.0 | 3.5 | (+12.5~+300)/65 | 1.8K/3.5 | L-1 |
| FT10M07D | 10.7 | 8 | ±3.75/3 | ±8.75/65 | ±12.5/90 | 2.0 | 4.0 | (+12.5~+300)/90 | 1.8K/3.5 | L-2 |
| FT10M15C | 10.7 | 6 | ±7.5/3 | ±17.5/45 | ±25/65 | 2.0 | 3.0 | (+25~+300)/65 | 3K/1.5 | L-1 |
| FT10M15D | 10.7 | 8 | ±7.5/3 | ±17.5/70 | ±25/90 | 2.0 | 4.0 | (+25~+300)/90 | 3K/1.5 | L-2 |
| FT10M15E | 10.7 | 10 | ±7.5/3 | ±15/75 | ±20/90 | 2.0 | 4.5 | (+20~+300)/90 | 3K/1.5 | L-3 |
| FT10M30C | 10.7 | 6 | ±15.0/3 | ±45/65 | 2.0 | 3.0 | (+45~+300)/60 | 5.5K/-1.0 | L-1 | |
| FT10M07B | 10.7 | 4 | ±3.75/3 | ±15/40 | 1.0 | 2.0 | 1.5/5 1.6/5 |
L-4 | ||
| FT10M15B | 10.7 | 4 | ±7.5/3 | ±25/40 | 1.0 | 2.0 | 3.0/2.5 | L-4 | ||
| FT10M20B | 10.7 | 4 | ±10.0/3 | ±32/40 | 1.5 | 2.0 | 3.0/2.5 | L-4 | ||
| FT10M30B | 10.7 | 4 | ±15.0/3 | ±60/40 | 1.5 | 3.0 | 5.1/1 | L-4 | ||
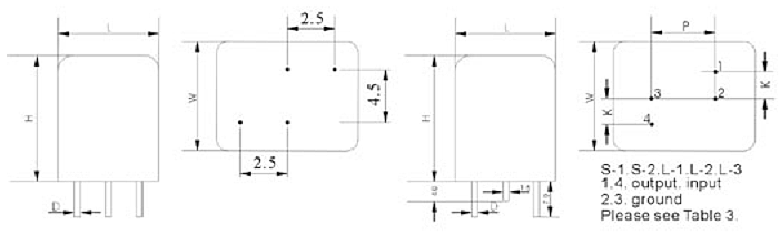
| Type | L | W | H | P | K | D |
| S-1 | 11.0 | 8.5 | 11.5 | 7.4 | 2.0 | 0.3 |
| S-2 | 13.4 | 8.5 | 11.5 | 9.8 | 2.0 | 0.3 |
| L-1 | 15.0 | 12.0 | 15.0 | 9.0 | 2.5 | 0.43 |
| L-2 | 18.5 | 12.0 | 15.0 | 13.4 | 2.5 | 0.43 |
| L-3 | 23.0 | 12.0 | 15.0 | 17.8 | 2.5 | 0.43 |
| L-4 | 12.0 | 9.5 | 16.5 | 0.43 |

|