Products:
Battery Holders
Capacitors
Connectors
Gas tubes
Heat Sinks
ICs >> STM32 microcontrollers
LCD Module
LED Display
LED Lens
LED Lights
LED Module
Materials
Miniature Speakers
Plastic & Hardware
Plastic profiled housings on a standard electric DIN rail
Potentiometers & Encoders
Resistors
Power Supplies
Power supply filters
Quartz Crystal
Switches
Test Probes
Thermistors
Varistors
|
|
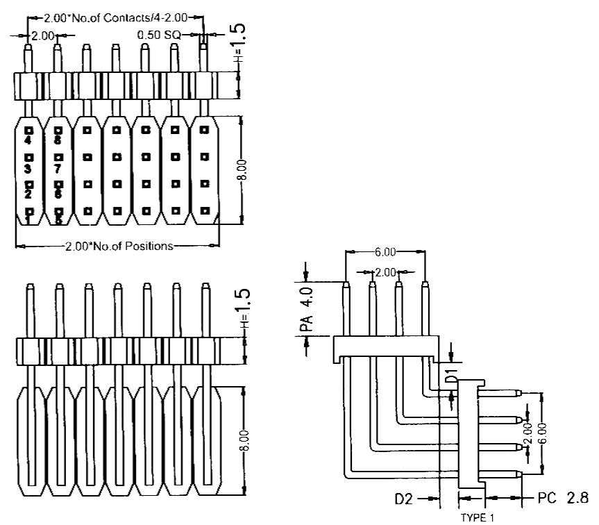
| Connectors >> Board-to-Board connectors, pin headers and sockets >> pitch 2,0x2,0 mm |
BL1315-24xxR1-1.5 series |
plugs pin four-row angular with a double insulator angular, pitch 2,0x2,0 mm
|

Drawing

|
| BL1315 |
- |
2 |
4 |
XXX |
R |
G |
- |
40285050 |
| 1 |
|
2 |
3 |
4 |
5 |
6 |
|
7 |
|
|
1) Series: BL1315
2) Number of insulators: 2: two
3) Number of rows: 4: four
4) number of pins (4...160): XXX
5) Type: S: straight R: angle M: vertical for surface mounting (SMD) Z: horizontal for surface mounting (SMD)
6) Contact coverage: G: gold plating T: tin plating
7) Dimensions PA, PC, D1, D2 in tenths of mm: 40285050: (standard) PA=4,0 mm, PC=2,8 mm, D1=5,0 mm, D2=5,0 mm
|
|
Plugs pin four-row angular with a double insulator angular of this series are made in the form of a comb 4x40 pins. Then they can be cut on a special device on factory at the request of the customer for any even number of contacts: 4, 8, 12... etc. The cost of cutting only slightly increases the price of a single contact, but the cut is almost perfect, without chipping at the ends, and the customer does not spend time on the work, which is easily done by the machine. |
Electric characteristic:
Maximum current: 1.5 A AC/DC
Maximum voltage: 250 V AC/DC
Electric characteristic: 20 mOhm (max.)
Insulation resistance: 1000 MOhm (min.)
Dielectric strength: 500 V AC for 1 min.
Operating temperature: -40...+105°C
Insulator material: high temperature plastic (UL94V-0)
Contact material: phosphor bronze
Standard contact coverage: gold plating
PCB layout
 |
| 97180 |
BL1315-24004R1-1.5 |
4 |
| 97181 |
BL1315-24008R1-1.5 |
8 |
| 97182 |
BL1315-24012R1-1.5 |
12 |
| 97183 |
BL1315-24016R1-1.5 |
16 |
| 97184 |
BL1315-24020R1-1.5 |
20 |
| 97185 |
BL1315-24024R1-1.5 |
24 |
| 97186 |
BL1315-24028R1-1.5 |
28 |
| 97187 |
BL1315-24032R1-1.5 |
32 |
| 97188 |
BL1315-24036R1-1.5 |
36 |
| 97189 |
BL1315-24040R1-1.5 |
40 |
| 97190 |
BL1315-24044R1-1.5 |
44 |
| 97191 |
BL1315-24048R1-1.5 |
48 |
| 97192 |
BL1315-24052R1-1.5 |
52 |
| 97193 |
BL1315-24056R1-1.5 |
56 |
| 97194 |
BL1315-24060R1-1.5 |
60 |
| 97195 |
BL1315-24064R1-1.5 |
64 |
| 97196 |
BL1315-24068R1-1.5 |
68 |
| 97197 |
BL1315-24072R1-1.5 |
72 |
| 97198 |
BL1315-24076R1-1.5 |
76 |
| 97199 |
BL1315-24080R1-1.5 |
80 |
|
|
| 97200 |
BL1315-24084R1-1.5 |
84 |
| 97201 |
BL1315-24088R1-1.5 |
88 |
| 97202 |
BL1315-24092R1-1.5 |
92 |
| 97203 |
BL1315-24096R1-1.5 |
96 |
| 97204 |
BL1315-24100R1-1.5 |
100 |
| 97205 |
BL1315-24104R1-1.5 |
104 |
| 97206 |
BL1315-24108R1-1.5 |
108 |
| 97207 |
BL1315-24112R1-1.5 |
112 |
| 97208 |
BL1315-24116R1-1.5 |
116 |
| 97209 |
BL1315-24120R1-1.5 |
120 |
| 97210 |
BL1315-24124R1-1.5 |
124 |
| 97211 |
BL1315-24128R1-1.5 |
128 |
| 97212 |
BL1315-24132R1-1.5 |
132 |
| 97213 |
BL1315-24136R1-1.5 |
136 |
| 97214 |
BL1315-24140R1-1.5 |
140 |
| 97215 |
BL1315-24144R1-1.5 |
144 |
| 97216 |
BL1315-24148R1-1.5 |
148 |
| 97217 |
BL1315-24152R1-1.5 |
152 |
| 97218 |
BL1315-24156R1-1.5 |
156 |
| 97219 |
BL1315-24160R1-1.5 |
160 |
|

PCB layout

|
|
|