Products:
Battery Holders
Capacitors
Connectors
Gas tubes
Heat Sinks
ICs >> STM32 microcontrollers
LCD Module
LED Display
LED Lens
LED Lights
LED Module
Materials
Miniature Speakers
Plastic & Hardware
Plastic profiled housings on a standard electric DIN rail
Potentiometers & Encoders
Resistors
Power Supplies
Power supply filters
Quartz Crystal
Switches
Test Probes
Thermistors
Varistors
|
|
| Connectors >> Board-to-Board connectors, pin headers and sockets >> pitch 2,0x2,0 mm |
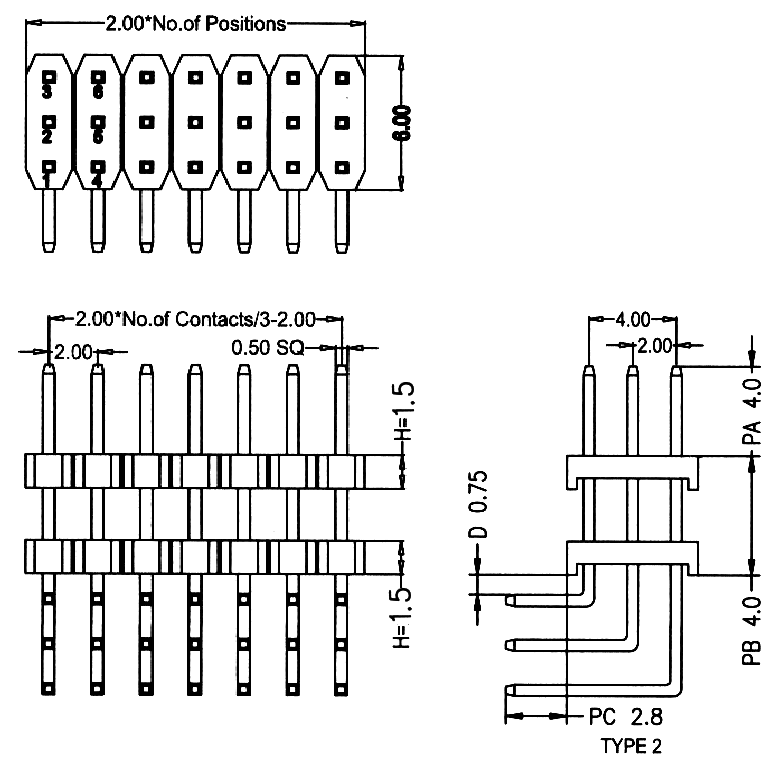
BL1315-23xxR2-1.5 series |
plugs pin three-row angular with a double insulator angular, pitch 2,0x2,0 mm
|

Drawing

|
| BL1315 |
- |
2 |
3 |
XXX |
R |
G |
- |
404028750 |
| 1 |
|
2 |
3 |
4 |
5 |
6 |
|
7 |
|
|
1) Series: BL1315
2) Number of insulators: 2: two
3) Number of rows: 3: three
4) number of pins (3...120): XXX
5) Type: S: straight R: angle M: vertical for surface mounting (SMD) Z: horizontal for surface mounting (SMD)
6) Contact coverage: G: gold plating T: tin plating
7) Dimensions PA, PB, PC, D in tenths of mm: 404028750: (standard) PA=4,0 mm, PB=4.0 mm, PC=2,8 mm, D=0,75 mm
|
|
Plugs pin three-row angular with a double insulator angular of this series are made in the form of a comb 3x40 pins. Then they can be cut on a special device on factory at the request of the customer for any even number of contacts: 3, 6, 9... etc. The cost of cutting only slightly increases the price of a single contact, but the cut is almost perfect, without chipping at the ends, and the customer does not spend time on the work, which is easily done by the machine. |
Electric characteristic:
Maximum current: 1.5 A AC/DC
Maximum voltage: 250 V AC/DC
Electric characteristic: 20 mOhm (max.)
Insulation resistance: 1000 MOhm (min.)
Dielectric strength: 500 V AC for 1 min.
Operating temperature: -40...+105°C
Insulator material: high temperature plastic (UL94V-0)
Contact material: phosphor bronze
Standard contact coverage: gold plating
PCB layout
 |
| 97020 |
BL1315-23003R2-1.5 |
3 |
| 97021 |
BL1315-23006R2-1.5 |
6 |
| 97022 |
BL1315-23009R2-1.5 |
9 |
| 97023 |
BL1315-23012R2-1.5 |
12 |
| 97024 |
BL1315-23015R2-1.5 |
15 |
| 97025 |
BL1315-23018R2-1.5 |
18 |
| 97026 |
BL1315-23021R2-1.5 |
21 |
| 97027 |
BL1315-23024R2-1.5 |
24 |
| 97028 |
BL1315-23027R2-1.5 |
27 |
| 97029 |
BL1315-23030R2-1.5 |
30 |
| 97030 |
BL1315-23033R2-1.5 |
33 |
| 97031 |
BL1315-23036R2-1.5 |
36 |
| 97032 |
BL1315-23039R2-1.5 |
39 |
| 97033 |
BL1315-23042R2-1.5 |
42 |
| 97034 |
BL1315-23045R2-1.5 |
45 |
| 97035 |
BL1315-23048R2-1.5 |
48 |
| 97036 |
BL1315-23051R2-1.5 |
51 |
| 97037 |
BL1315-23054R2-1.5 |
54 |
| 97038 |
BL1315-23057R2-1.5 |
57 |
| 97039 |
BL1315-23060R2-1.5 |
60 |
|
|
| 97040 |
BL1315-23063R2-1.5 |
63 |
| 97041 |
BL1315-23066R2-1.5 |
66 |
| 97042 |
BL1315-23069R2-1.5 |
69 |
| 97043 |
BL1315-23072R2-1.5 |
72 |
| 97044 |
BL1315-23075R2-1.5 |
75 |
| 97045 |
BL1315-23078R2-1.5 |
78 |
| 97046 |
BL1315-23081R2-1.5 |
81 |
| 97047 |
BL1315-23084R2-1.5 |
84 |
| 97048 |
BL1315-23087R2-1.5 |
87 |
| 97049 |
BL1315-23090R2-1.5 |
90 |
| 97050 |
BL1315-23093R2-1.5 |
93 |
| 97051 |
BL1315-23096R2-1.5 |
96 |
| 97052 |
BL1315-23099R2-1.5 |
99 |
| 97053 |
BL1315-23102R2-1.5 |
102 |
| 97054 |
BL1315-23105R2-1.5 |
105 |
| 97055 |
BL1315-23108R2-1.5 |
108 |
| 97056 |
BL1315-23111R2-1.5 |
111 |
| 97057 |
BL1315-23114R2-1.5 |
114 |
| 97058 |
BL1315-23117R2-1.5 |
117 |
| 97059 |
BL1315-23120R2-1.5 |
120 |
|

PCB layout

|
|
|